شیرآلات ابزار دقیق اس لاک در کنترل دقیق و درست میزان جریاناتی که می تواند شامل گازها و مایعات شفاف باشند مورد استفاده قرار گیرد. همچنین در شیرآلات ابزار دقیق اس لاک تنظیمات برای کنترل میزان جریانات، تدریجی و یکنواخت هستند. اگرچه شیرآلات ابزار دقیق اس لاک را می تواند به عنوان یک شیر مسدود کننده مورد اطمینان مورد استفاده قرار داد. به طور کلی شیرآلات ابزار دقیق اس لاک را هم می توان به تنهایی برای فرآیندهایی با میزان جریان پایین استفاده کرد، و هم می توان تا مقدار اندازه ای که مشخص شده، سیالات را با فشار بالایی از ورودی ها به خروجی ها انتقال داد.
با سال ها طراحی و ساخت شیرآلات ابزار دقیق اس لاک و بالا رفتن تجربه S-LOK در این زمینه، و همچنین پیشرفت آن در این حیطه، می توان گفت که قابلیت این را دارد که طیف گسترده ای از شیرآلات ابزار دقیق اس لاک را با تنوع بسیار بالا، که قابل دسترس برای مصرف کنندگان می باشد، به بازارها، صنایع و عملیات ها و درخواست های مختلف و هم چنین صنعت نفت و گاز پیشنهاد کند.
هر نوع از شیرآلات ابزار دقیق اس لاک که قرار است درباره آن توضیح داده شود، می توان گفت که کاربردش در یک سیستم جدایی ناپذیر و اجتناب ناپذیر است و تمامی جوانب ایمنی در آن رعایت شده و هم چنین از طرف دیگر کاهش سایز، وزن و ساده شدن طریقه نصب و دست آخر توجه به کاهش قابل توجه در هزینه های مصرف کنندگان در انواع مختلف این شیرآلات ابزار دقیق اس لاک لحاظ شده است.
هم اکنون به بررسی خصوصیات و ویژگی های یکی از شیرآلات ابزار دقیق اس لاک SFBV60 از سری بال ولوهای فورج شده فشار بالا می پردازیم :
ویژگی های این مدل از شیرآلات ابزار دقیق اس لاک به شرح زیر است :
میزان تحمل فشار در شیرآلات ابزار دقیق اس لاک سری بال ولو SFBV60 تا 6000psig معادل (413 بار) در 21°C معادل (70°F) می باشد. هم چنین در این سری از شیرآلات ابزار دقیق اس لاک میزان تحمل دما از 54C° (-65°F)- تا 177C° (350°F) با استاندارد سیت (قرارگیری) PCTFE برآورد شده است.
طراحی بال شناور آزاد امکان هم بستگی پوشش سیت (قرارگیری) را فراهم می کند و علاوه بر آن شیرآلات ابزار دقیق اس لاک سری SFBV60 این اطمینان را می دهند که عمل انسداد در فشارهای بسیار بالا بدون هیچ گونه نشتی صورت می پذیرد. یکی دیگر از مشخصه های این شیرآلات ابزار دقیق اس لاک قابلیت میزان جریان بالا در یک ساخته و طراحی فشرده شده و متراکم شده است.
از طرفی دیگر پنل قابل نصب به صورت استاندارد در این شیرآلات ابزار دقیق اس لاک تعبیه شده است. هم چنین طراحی ضد انفجار و ازهم پاشی شیرآلات ابزار دقیق اس لاک سری SFBV60 با میله استوانه ای شکل حامل و پر داخلی می باشد. بال میکرو – کامل شده در این شیرآلات ابزار دقیق اس لاک، سیل (آب بند) کامل را نیز فراهم می کند.
لازم به ذکر است که گشتاورهای پیچشی عملیاتی پایین و متوقف سازی و انسداد کامل با دسته در این شیرآلات ابزار دقیق اس لاک لحاظ شده است. همچنین دسته شیرآلات ابزار دقیق اس لاک سری بال ولو SFBV60 مسیر جریان سیالات را نشان می دهد. ویژگی دیگر این شیرآلات ابزار دقیق اس لاک مستقیم و یکراست بودن با مسیر جریان برای افت فشار حداقل می باشد. قابلیت مسیر دوگانه و مضاعف جریان مواد در این شیرآلات ابزار دقیق اس لاک در نظر گرفته شده است.
استاندارد پکینگ V معکوس برای محکم سازی کامل در برابر نشتی، در این شیرآلات ابزار دقیق اس لاک لحاظ شده است. همچنین بکارگیری 90 درجه از دیگر مشخصه های شیرآلات ابزار دقیق اس لاک سری بال ولو SFBV60 می باشد. این نکته را هم باید مدنظر داشت که همه ی شیرآلات ابزار دقیق اس لاک به طور کامل توسط کارخانه با نیتروژن در 1000psi معادل (69 بار) آزمایش شده اند.
تنوع اتصالات در بخش های انتهایی، شامل اتصالات تیوبینگ S-LOK نر/مادگی NPT و رزوه های ISO/BSP از دیگر ویژگی های شیرآلات ابزار دقیق اس لاک سری SFBV60 می باشد. این را هم باید یادآور شد که شیرآلات ابزار دقیق اس لاک سری بال ولو SFBV60 در صنایع نفت، گاز، آب و پتروشیمی کاربرد محسوسی دارند.
1. بدنه
2. اتصالات انتهایی
3. بال
4. سیت
5. نگهدار و حفاظت کننده
6. سیل (آب بند)
7. سیل (واشر آب بند) انتهایی
8. میله استوانه ای شکل
9. پکینگ میله استوانه ای شکل
10. واشر میله استوانه ای شکل
11. پیچ پکینگ
12. مهره چفت و بست
13. پیچ تنظیم
14. دسته
متریال بدنه شیرآلات ابزار دقیق اس لاک سری SFBV60 از A182 F316 می باشد و متریال های اتصالات انتهایی ، بال ، نگهدار (محافظت کننده)، میله استوانه ای شکل و پیچ پکینگ به کاررفته در این شیرآلات ابزار دقیق اس لاک از SS316/A479 ,A276 ساخته شده است. همچنین متریال سیت (قرارگیری) در این شیرآلات ابزار دقیق اس لاک از PCTFE (PTFE ،PEEK آپشنال) ساخته شده است و متریال های سیل نگهدارنده (واشر آب بند)، سیل انتهایی و پکینگ میله استوانه ای شکل در شیرآلات ابزار دقیق اس لاک سری بال ولو SFBV60 از PTFE تولید می شوند.
لازم به ذکر است که متریال های واشر میله استوانه ای شکل، مهره چفت و بست و پیچ تنظیم در این شیرآلات ابزار دقیق اس لاک از استنلس استیل می باشد. و در آخر اینکه دسته این سری از بال ولوها از نایلون سیاه ساخته شده است.
نکته : روان کاری بخش های آب پذیر در این شیرآلات ابزار دقیق اس لاک برمبنا و پایه فلوروکربن می باشد.
تمامی ابعادی که در جدول بالا برای شیرآلات ابزار دقیق اس لاک سری SFBV60 نشان داده شده ، یک مرجع می باشد و قابل تغییر است.
در خصوص جدول بالا لازم است گفته شود که محاسبه میزان فشار با فشار ورودی 1000psi معادل (69 بار) می باشد.
شیرآلات ابزار دقیق اس لاک SFBV60 سه راهه برای حرکت دادن و تغییر مسیر از طریق پورت زیرین و هدایت آن به بیرون از دو پورت خروجی ، طراحی و ساخته شده است.
تمامی ابعادی که در جدول بالا برای شیرآلات ابزار دقیق اس لاک سری SFBV60 نشان داده شده، یک مرجع می باشد و قابل تغییر است.
در خصوص جدول بالا لازم است گفته شود که محاسبه میزان فشار با فشار ورودی 1000psi معادل (69 بار) می باشد.
میزان فشار با پورت های سه راهه شیرآلات ابزار دقیق اس لاک در ورودی :
150 psi معادل (10 بار)
میزان تحمل فشار در این شیرآلات ابزار دقیق اس لاک تا 6000psig معادل (413 بار) در 21C° (70°F) می باشد. هم چنین در شیرآلات ابزار دقیق اس لاک STBV60 جریان مواد حداکثری در یک طراحی فشرده شده لحاظ شده است. پنل قابل نصب به صورت استاندارد، در این شیرآلات ابزار دقیق اس لاک به کارگیری شده است و از طرفی دسته به کاررفته در شیرآلات ابزار دقیق اس لاک سری STBV60 مسیرجریان سیالات را نیز نشان می دهد.
از ویژگی های دیگر این شیرآلات ابزار دقیق اس لاک، راه اندازی با گشتاور پیچشی پایین تر می باشد. مدل مسدود کننده دو راهه و مدل سویچینگ (تغییر مسیر) سه راهه در شیرآلات ابزار دقیق اس لاک سری STBN60 به کاررفته است. از دیگر مشخصه های این سری از شیرآلات ابزار دقیق اس لاک تنوع در اتصالات انتهایی شامل اتصالات تیوب S-LOK قابل اطمینان نر/مادگی NPT و رزوه های ISO/BSP می باشد.
خدمات رسانی گاز ترش در NACE MR 0175 به صورت آپشنال در این شیرآلات ابزار دقیق اس لاک در دسترس می باشند. و اینکه همه ی شیرآلات ابزار دقیق اس لاک با نیتروژن 1000psig معادل (69 بار) مورد آزمایش کامل و 100% کارخانه قرار می گیرند.
1. بدنه
2. میله استوانه ای شکل
3. حلقه حمایت کننده میله استوانه ای شکل
4. حلقه (واشر) پشتیبان میله استوانه ای شکل
5. بلبرینگ میله استوانه ای شکل
6. O رینگ میله استوانه ای شکل
7. بال سرمحور
8. O رینگ بال
9. حلقه پشتیبان بال
10. فنر دیسک
11. سیت
12. حامل سیت
13. هدایت گر حامل سیت
14. حلقه و واشر پشتیبان حامل سیت
15. O رینگ حامل سیت
16. سیل (آب بند) کانکتور
17. اتصالات انتهایی
18. دسته
19. پیچ تنظیم
20. پین متوقف کننده
21. مهره چفت و بست
22. حلقه اسلیپ
متریال بدنه در شیرآلات ابزار دقیق اس لاک دو راهه و سه راهه سری STBV60 از SS316/A479 , A276 , A182 می باشد. هم چنین متریال میله استوانه ای شکل، بال سرمحور، هدایت گر حامل سیت و اتصالات انتهایی در شیرآلات ابزار دقیق دو راهه و سه راهه از SS316/A479 , A276 می باشد.
حلقه ی حمایت کننده میله استوانه ای شکل در شیرآلات ابزار دقیق اس لاک سه راهه STBV60 از PEEK ساخته شده است. هم چنین متریال حلقه ی پشتیبان میله استوانه ای شکل و حلقه ی اسلیپ شیرآلات ابزار دقیق اس لاک سه راهه از PTFE می باشند. متریال بلبرینگ میله استوانه ای شکل در شیرآلات ابزار دقیق اس لاک دو راهه و سه راهه STBV60 نیز از PEEK می باشد.
هم چنین O رینگ میله استوانه ای شکل و O رینگ حامل سیت در هر دو شیرآلات ابزار دقیق اس لاک (دو راهه و سه راهه) از FKM می باشد. ضمنا متریال های O رینگ بال و حلقه پشتیبان بال در شیرآلات ابزار دقیق اس لاک دو راهه STBV60 به ترتیب از FKM و PTFE می باشند. هم چنین فنر دیسک در هر دو شیرآلات ابزار دقیق اس لاک STBV60 از آلیاژ X-750 ساخته شده است.
لازم است گفته شود که متریال سیت شیرآلات ابزار دقیق اس لاک دو راهه و سه راهه از PCTFE (PEEK و PTFE آپشنال) می باشد و این را هم باید گفت که حامل سیت، پیچ تنظیم، پین متوقف کننده و مهره چفت و بست، در هردو شیرآلات ابزار دقیق اس لاک STBV60 از استنلس استیل ساخته شده اند. و در آخر اینکه دسته های شیرآلات ابزار دقیق اس لاک دو راهه و سه راهه از فنولیک با قرار گرفتن متریال برنج در داخل آن تولید می شوند.
سه راهه (شیر سویچینگ) دو راهه (شیر مسدود کننده)
نکته : پورت زیرین در همه ی شیرآلات ابزار دقیق اس لاک سه راهه، مادگی NPT با سایز 1/4 اینچ می باشد.
میزان دما و فشار در این شیرآلات ابزار دقیق اس لاک :
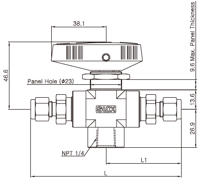
قبل از بیان ویژگی های این شیرآلات ابزار دقیق اس لاک لازم است گفته شود که سایز قطر درونی این سری از بال ولوها 10mm (0.39 اینچ) می باشد.
ویژگی های شیرآلات ابزار دقیق اس لاک سری منیفولد بال ولو بلاک اند بلید :
بال ولو این سری از شیرآلات ابزار دقیق اس لاک به صورت شناور طراحی و ساخته شده است. همچنین سیت به کاررفته در این شیرآلات ابزار دقیق اس لاک با PTFE یا PEEK تقویت شده است. سیت های بال در اتصالات انتهایی این شیرآلات ابزار دقیق اس لاک کپسول شده می باشند/بدنه.
سیل میله استوانه ای شکل این شیرآلات ابزار دقیق اس لاک با پکینگ استاندارد در PTFE و گرافیت ساخته می شود. از طرفی طراحی آنتی – استاتیک در استاندارد acc. to ISO 17292 در این سری از شیرآلات ابزار دقیق اس لاک قابل توجه است. همچنین لازم به ذکر است که میله استوانه ای شکل این شیرآلات ابزار دقیق اس لاک به صورت ضد انفجار و ضد ازهم پاشی طراحی و ساخته شده است.
حداکثر فشار کاری مجاز در شیرآلات ابزار دقیق اس لاک که دارای جهت و مسیردوگانه است، 420 بار معادل (6,092psi) با سیت های PEEK و PTFE می باشد. همچنین از طرفی دیگر حداکثر فشار کاری مجاز برای شیرآلات ابزار دقیق اس لاک سری منیفولد بلاک اند بلید که دارای جهت و مسیر تکی است، 689 بار معادل (10,000psi) تنها با سیت های PEEK می باشد.
نکته : منیفولدهای بال ولو با سایز قطر درونی 14/20mm بر مبنای درخواست در دسترس می باشند.
🔴 دسته این سری از شیرآلات ابزار دقیق اس لاک قابل قفل کردن می باشند، و به همین منظور این شیرآلات ابزار دقیق اس لاک می توانند در هربار باز و بسته شدن به صورت کامل، با یک قفل قابل حمل، قفل شوند.
لازم به ذکر است که مقادیر دما و فشاری که در بالا به آن اشاره شده است برمبنای متریال استاندارد استنلس استیل 316 می باشند.
شرکت اس لاک S-LOK یک توسعه دهنده و فراهم کننده بزرگ در مسیر سیستم سیالات، از قبیل تولیدات و محصولات ، سرویس های کامل سازی و خدمات رسانی برای بررسی ابزار دقیق ، صنایع داروسازی ، صنایع نفت و گاز ، صنایع نیرو ، صنایع پتروشیمی ، سوخت های ثانویه و صنایع نیمه رسانا می باشد. S-LOK توانسته تجهیزات و تولیدات خود را و هم چنین پژوهش ها ، امکانات سرویس دهی و فرآوری و توزیع را در چندین مراکز مجاز و معتبر فروش و سرویس دهی در سراسر دنیا فراهم کند.
شکل